Introductie Bever 6527 Cilinderslot: Uw Ideale Veiligheidskeuze
Als u op zoek bent naar een duurzaam, veilig en gemakkelijk te installeren cilinderslot, dan is de Bever 6527 precies wat u nodig heeft. Dit cilinderslot springt eruit door zijn unieke combinatie van kwaliteit, betrouwbaarheid en geavanceerde specificaties. Het is niet alleen een praktische keuze, maar ook een slimme investering voor de lange termijn.
Unieke Eigenschappen die het Bever 6527 Cilinderslot Onderscheidt
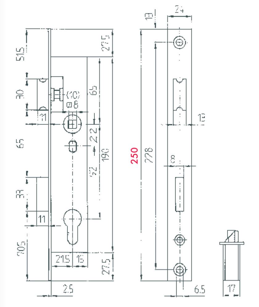
De Bever 6527 cilinderslot is een model dat is ontworpen met oog voor detail. Met een asmaat van 92mm en doornmaten variërend van 18 tot 24mm, biedt het slot een breed scala aan installatiemogelijkheden. Het slot heeft een solide voorplaat met een breedte van 24mm en lengte van 250mm, vervaardigd uit verzinkt roestvrij staal. Deze rechte voorplaat draagt bij aan zijn robuustheid en duurzaamheid, terwijl het ook esthetisch aantrekkelijk is. De keerbaarheid van de draairichting draagt bij aan het gebruiksgemak en bevordert de veelzijdigheid van de installatie.
Bever 6527 Cilinderslot: Uitgerust voor Comfort en Eenvoud
De installatie van de Bever 6527 is een fluitje van een cent dankzij de inbouwmontage. Met een kruknoot diameter van 8mm is het slot compatibel met de meeste deurmechanismen. Het model is ontworpen voor bediening met een euro profielcilinder, wat het comfort en gebruiksgemak verhoogt. In termen van sluiting beschikt de Bever 6527 over een schoot sluiting, maar is niet zelfvergrendelend. Met een voorstand dagschoot van 5mm, biedt het slot ook de balans tussen veiligheid en toegankelijkheid dat zowel huiseigenaren als bedrijfseigenaren zullen waarderen.
Waarom Kiezen voor het Bever 6527 Cilinderslot?
Kiezen voor het Bever 6527 cilinderslot betekent kiezen voor bewezen kwaliteit en betrouwbaarheid. U profiteert niet alleen van een product met superioriteit in functionaliteit, maar ook van een die bijdraagt aan de esthetische waarde van uw deur. Met zijn state-of-the-art specificaties en gebruiksvriendelijk ontwerp, onderscheidt het Bever 6527 zich als een topkeuze onder de cilindersloten op de markt. Het slot is niet alleen duurzaam en onderhoudsvriendelijk, maar ook flexibel in installatie en gebruik. Dus waarom nog verder kijken? Beveilig uw huis of bedrijf met het betrouwbare Bever 6527 cilinderslot.
Wilt u genieten van superieure veiligheid en gemak? Kies dan nu voor het Bever 6527 cilinderslot. Maak de slimme keuze voor uw veiligheid, neem vandaag nog contact met ons op voor meer informatie of plaats uw bestelling meteen.








