Introductie – Bmh 311 Rolslot
Sloten zijn een belangrijk onderdeel van onze woon- en zakelijke omgeving. Ze bieden ons veiligheid en gemoedsrust, wetende dat onze bezittingen en geliefden worden beschermd tegen ongewenste toegang. Maar het is niet genoeg om zomaar een slot te kiezen; je hebt een slot nodig dat kwaliteit, duurzaamheid en betrouwbaar presteert. Dat is waar het Bmh 311 Rolslot naar voren komt. Dit slot, ontworpen voor inbouw montage en werkt met een euro profielcilinder, biedt een ongeëvenaarde combinatie van beveiligingsfuncties en gebruiksgemak.
Unieke eigenschappen – Bmh 311 Rolslot
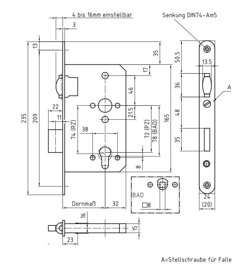
Wat maakt het Bmh 311 Rolslot zo uniek? Allereerst is het een rolslot, een type slot dat bekend staat om zijn uitzonderlijke stevigheid en betrouwbaarheid. De breedte van de voorplaat is 24mm en heeft een lengte van 235mm. Deze plaat is gemaakt van gelakt materiaal, wat zorgt voor extra duurzaamheid en een esthetisch uiterlijk. Het slot heeft een keerbare draairichting, wat zorgt voor flexibiliteit bij de installatie en het gebruik. Verder, met zijn Asmaat van 72mm en variabele doornmaat die kan worden aangepast tussen 65mm, 80mm en 100mm past dit slot op bijna elke deur.
Gebruiksgemak en installatie
De Bmh 311 Rolslot is ontworpen met het oog op gebruiksgemak. Het slot is zelfvergrendelend, deze functie zorgt voor een gemakkelijke en zekere vergrendeling zonder dat je nog een sleutel hoeft te draaien. Ook de installatie is zeer eenvoudig te doen, zelfs voor degenen die geen ervaring hebben met het installeren van sloten. Het slot is ontworpen voor inbouwmontage, wat betekent dat het direct in de deur wordt geïnstalleerd zonder dat er extra uitsparingen of voorbereidingen nodig zijn. Dit slot biedt zo niet alleen topprestaties, maar ook gebruiksgemak en installatiegemak.
Waarom kiezen voor het Bmh 311 Rolslot?
Bent u op zoek naar een slot dat veiligheid, duurzaamheid en gebruiksgemak combineert? Zoek niet verder dan het Bmh 311 Rolslot. Dit slot onderscheidt zich van andere sloten dankzij zijn robuuste constructie, veelzijdige installatiemogelijkheden en eenvoudig gebruik. Of u nu een huiseigenaar bent die op zoek is naar een betrouwbare manier om uw woning te beveiligen, of een bedrijfseigenaar die behoefte heeft aan een degelijk en betrouwbaar slot dat bestand is tegen intensief dagelijks gebruik, het Bmh 311 Rolslot is de ideale keuze. Aarzel niet langer en neem de stap naar een veiligere omgeving met het Bmh 311 Rolslot.
Overtuigd van de voordelen van het Bmh 311 Rolslot?
Wacht niet langer! Neem het heft in eigen handen en vergroot uw veiligheid en gemoedsrust met het Bmh 311 Rolslot. Neem contact met ons op voor meer informatie of plaats uw bestelling vandaag nog en geniet van de ongeëvenaarde beveiliging en het comfort die ons product te bieden heeft. Met het Bmh 311 Rolslot bent u altijd een stap voor op gebied van veiligheid!








