Stevige basis voor betrouwbaar sluitwerk
Een poort of deur is zo sterk als de verbinding tussen slot en kozijn. De Deni 5854 sluitplaat biedt die stevige basis. Deze oplossing zorgt ervoor dat uw poortslot niet alleen goed aansluit, maar ook duurzaam zijn werk blijft doen. Ideaal voor wie waarde hecht aan veiligheid en een nette afwerking.
Toepassing in verschillende situaties
De Deni 5854 sluitplaat wordt vaak toegepast bij tuinpoorten, bedrijfshekken of toegangsdeuren van appartementencomplexen. Mensen die dagelijks meerdere keren een poort openen en sluiten, hebben baat bij een degelijke sluitoplossing waarin slijtage minimaal is. Dankzij de solide constructie komt dit model perfect tot zijn recht in zowel particuliere als professionele omgevingen. Zo houdt u niet alleen ongewenste bezoekers buiten, maar verlengt u ook de levensduur van uw poortslot aanzienlijk.
Duurzaam materiaal en bescherming
De sluitplaat is gemaakt van hoogwaardig materiaal dat bestand is tegen intensief gebruik. Dankzij de verzinkt afwerking is deze sluitoplossing extra beschermd tegen roestvorming en weersinvloeden. Dit betekent dat regen of vocht geen invloed heeft op de kwaliteit, waardoor de sluitplaat ook in buitenomgevingen jarenlang meegaat. Voor buitenpoorten of toegangen waar duurzaamheid en onderhoudsarm gebruik belangrijk zijn, is dit een groot voordeel.
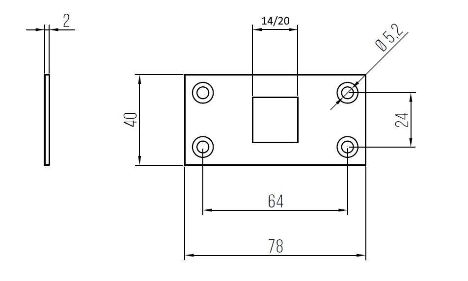
Technische details die het verschil maken
De Deni 5854 sluitplaat behoort tot de categorie toebehoren voor poortsloten en is speciaal ontworpen voor gebruik met stangen. Voor een betrouwbare werking is dit model beschikbaar in vierkant ⧄ (mm) varianten. Denk daarbij aan uitvoeringen zoals ⧄ 14 en ⧄ 20, zodat u altijd een sluitplaat kiest die exact aansluit op uw bestaande systeem. Dit voorkomt speling en garandeert een stille, stevige sluiting bij ieder gebruik.
Eenvoudige montage in de praktijk
Het monteren van de Deni 5854 sluitplaat verloopt snel en zonder ingewikkelde stappen. Of u nu een vakman bent die dagelijks sluitoplossingen installeert, of een handige doe-het-zelver die zijn tuinpoort wil versterken: dit model laat zich moeiteloos plaatsen. Een vast klikpunt in het kozijn zorgt voor een perfecte sluiting, zelfs wanneer de deur of poort vaak wordt gebruikt. Zo voorkomt u scheef hangen of rammelende sluitingen in de toekomst.
Praktische voordelen op een rij
Met de Deni 5854 sluitplaat kiest u voor betrouwbaarheid én gemak. De combinatie van duurzaam materiaal, een beschermende verzinkt coating en de juiste aansluiting met stangen geeft u de zekerheid van een oplossing die jarenlang meegaat. Het minimaliseert onderhoud, verhoogt de levensduur van het poortslot en zorgt ervoor dat uw toegang altijd probleemloos functioneert. Een investering die zich terugbetaalt in gemoedsrust en gebruikscomfort.
Kies voor zekerheid en bestel meteen.






