Kfv Ep99 Anti-paniekslot: Veilige Preventie in een Handomdraai
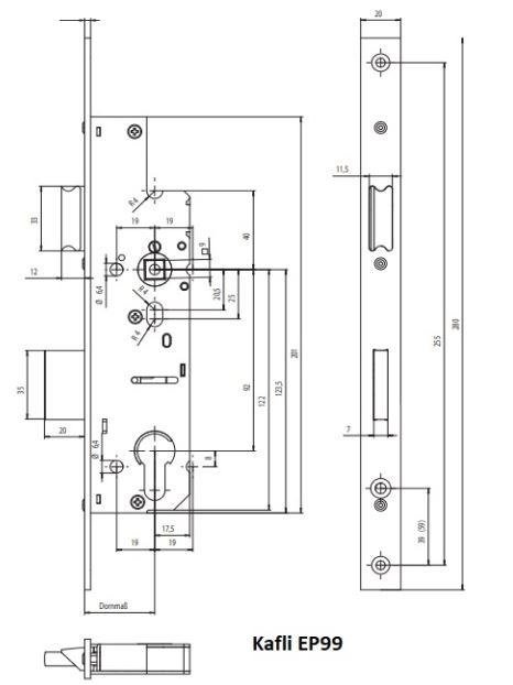
Wanneer het op veiligheid aankomt, maken we graag de weloverwogen keuze voor betrouwbare kwaliteit. Daarom introduceren we het Kfv Ep99 Anti-paniekslot, een uiterst adequaat veiligheidsslot dat u voorziet van gemoedsrust in diverse situaties. Met dit slot wordt elke deur een betrouwbare barrière tegen ongewenste toegang, de belangrijkste voordelen omvatten de robuuste constructie, het gebruiksgemak en de innovatieve paniekfunctie. Puur roestvrij staal als materiaal met een breedte voorplaat van 24 mm en een lengte van 270 mm zorgen voor optimale stevigheid en duurzaamheid. Het is keerbaar en daardoor makkelijk aan te passen aan uw specifieke deur.
Innovatieve Specificaties voor Betrouwbare Veiligheid
Wat set deze Kfv Ep99 Anti-paniekslot echt apart van andere producten zijn de details van de constructie en functionaliteit. Vooreerst is er de asmaat van 92mm en en doornmaat die kan variëren van 30mm tot 45mm, afhankelijk van uw specifieke behoefte. Dit innovatieve slot, een echt Embleem van kwaliteit, beschikt over twee speciale functies E en B, waardoor de greep naar de kruk en de kruk naar de kruk voor optimale functionaliteit zorgt, zonder dat er een voorstand dagschoot of nachtschoot nodig is. Dit alles komt samen in een makkelijk inbouwbare, gebruiksvriendelijke cilinderslot oplossing.
Kfv Ep99 Anti-paniekslot: Eenvoudig in Gebruik en Installatie
Bij het ontwerp van het Kfv Ep99 Anti-paniekslot is ruimschoots rekening gehouden met gebruiksgemak en eenvoudige installatie. Het slot is uitgerust met een Euro profielcilinder, bekend om zijn eenvoudige bediening en betrouwbaarheid. Bovendien is het slot eenvoudig aan te brengen en te monteren, dankzij de inbouwtype montage. De kruknoot van 9 mm zorgt voor extra gebruiksgemak en een strakke, professionele afwerking. Hoewel het slot niet zelfvergrendelend is, biedt de paniekfunctie een extra laag veiligheid in geval van nood.
Waarom kiezen voor het Kfv Ep99 Anti-paniekslot?
Er zijn tal van redenen om voor het Kfv Ep99 Anti-paniekslot te kiezen boven andere sloten. Naast de robuuste constructie en de makkelijke installatie, heeft dit slot zijn positie als betrouwbare keus verdiend door zijn unieke combinatie van technische hoogstandjes en gebruiksgemak. Of u nu een professional bent die veilige slotoplossingen voor klanten zoekt, of een doe-het-zelver die een betrouwbaar slot wil installeren, dit slot voorziet in uw behoefte. Wanneer veiligheid, degelijkheid en betrouwbaarheid uw prioriteiten zijn, dan is de keuze voor de Kfv Ep99 Anti-Paniekslot een makkelijk te nemen besluit.
Wacht niet langer en versterk uw veiligheid met het Kfv Ep99 Anti-paniekslot. Bestel vandaag nog dit robuuste, gebruiksvriendelijke en betrouwbare slot. Neem bij vragen gerust contact met ons op voor meer informatie of advies.








