Wat is het Omec 1970 Containerslot en waarom is het een goede keuze?
Voor veel mensen is veiligheid een essentieel onderdeel van hun dagelijks leven. En waar beter om die veiligheid te garanderen dan met het gebruik van het kwalitatief hoogwaardige Omec 1970 Containerslot? Het is een blijvende investering die je kunt doen om jouw goederen en waardevolle spullen veilig te houden. Dit slot is een slimme keuze voor iedereen die op zoek is naar extra beveiliging voor hun container.
Speciale eigenschappen en voordelen van het Omec 1970 Containerslot
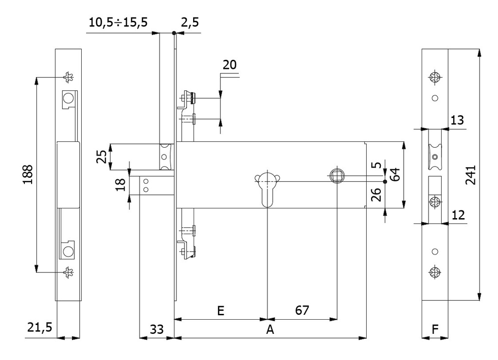
Het Omec 1970 Containerslot is gemaakt van roestvrij staal / Inox, wat betekent dat het bestand is tegen de meest uitdagende weersomstandigheden en zelfs corrosie. Het is ontworpen met een Asmaat van 67mm en Doornmaat van 90mm, wat het een sterke, betrouwbare en duurzame keuze maakt om containerbeveiliging te bieden. Daarnaast heeft het een vorm voorplaat die recht is, en het voordeel van dit type ontwerp is dat het moeilijk is te forceren. Met een breedte voorplaat van Vlak 16, Vlak 22, en Vlak 25 en een lengte voorplaat van 160mm tot 241mm, past dit slot op de meeste standaard containerdeuren.
Eenvoudig in gebruik en installatie
Een belangrijk aspect van het Omec 1970 Containerslot is de eenvoud van installatie en gebruik. Het is een keerbaar cilinderslot dat gemakkelijk te bedienen is met een Euro profielcilinder, en de kruknoot ⧄ (mm), ⧄ 8 functie maakt het nog eenvoudiger te monteren. Bovendien is het slot onderhoudsvriendelijk en gemaakt van duurzaam roestvrij staal / Inox, waardoor je er zeker van kunt zijn dat het jaren meegaat zonder aan functionaliteit of uiterlijk in te boeten.
Waarom kiezen voor het Omec 1970 Containerslot?
Met zoveel sloten op de markt, zou je je kunnen afvragen waarom het Omec 1970 Containerslot de juiste keuze voor je is. Om te beginnen is dit slot gemaakt door Omec, een vertrouwd bedrijf dat bekend staat om zijn betrouwbaarheid en kwaliteit. Het is gebouwd om lang mee te gaan met de meest robuuste en veilige materialen, zoals roestvrij staal / Inox. Het ontwerp zorgt voor een eenvoudige installatie en gebruiksgemak. Het feit dat het slot niet zelfvergrendelend is, biedt extra controle en flexibiliteit over de beveiliging van je container. Dit slot is de slimme keuze voor iedereen die op zoek is naar een hoogwaardig, betrouwbaar en duurzaam slot voor hun container.
Bestel vandaag nog jouw Omec 1970 Containerslot!
Is het niet tijd om een investering te doen in de beveiliging van je goederen en waardevolle bezittingen? Met het Omec 1970 Containerslot maakt je een slimme keuze. Niet overtuigd? Neem contact met ons op voor meer informatie of bestel direct jouw slot online. Kies voor zekerheid, kies voor het Omec 1970 Containerslot!








